
Datalogic’s Area Scan Cameras provide outstanding image quality, fast data acquisition, and seamless integration into industrial automation systems.
Designed to meet the demands of complex inspection tasks, they combine cutting-edge CMOS sensor technology with a GigE Vision interface in a compact, space-saving housing. Whether you’re performing high-resolution quality checks, precise measurements, or multi-camera inspections, these cameras deliver the performance and flexibility you need.
With resolutions ranging from VGA up to an impressive 24.4 MP, these cameras are ideal for use with Datalogic’s MX Vision Processors and fully compatible with IMPACT machine vision software.
KEY FEATURES & HIGHLIGHTS:
- High Resolution: From VGA up to 24.4 MP in both color and monochrome
- Fast CMOS Sensors: Designed for high-speed image capture with low noise and excellent sensitivity
- GigE Vision Interface: Enables long-distance cabling and reliable data transfer
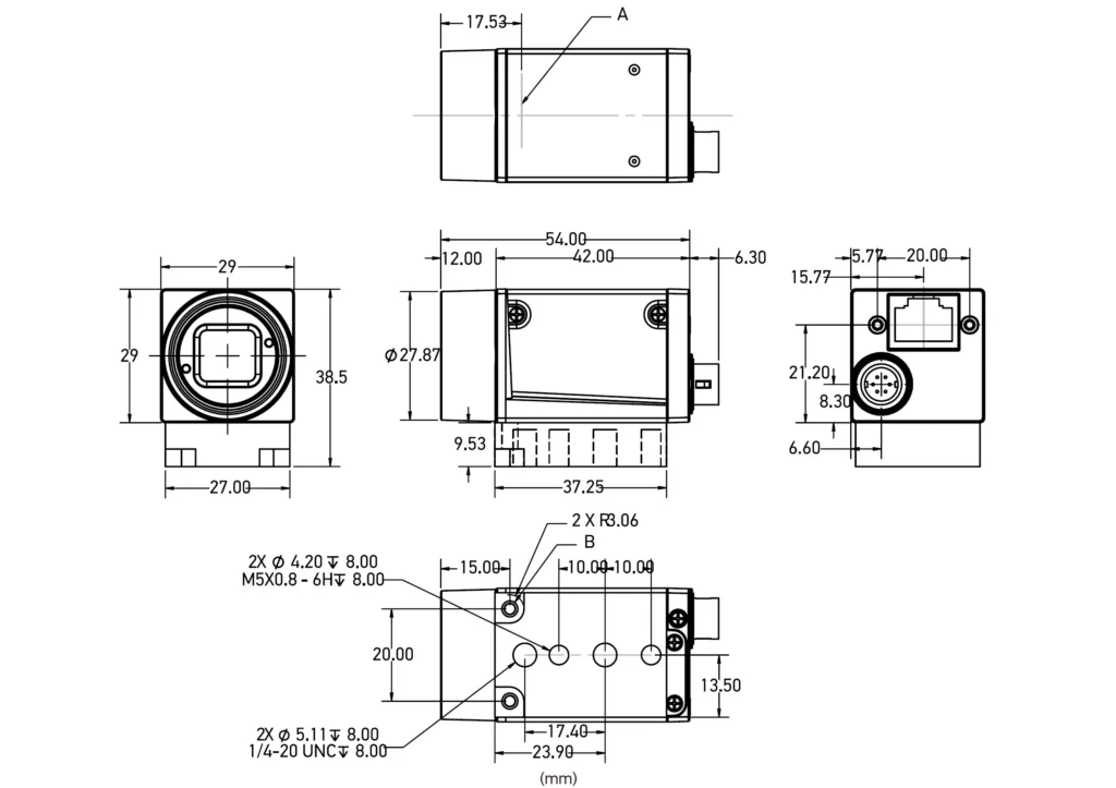
- Compact Design: Housings as small as 29 x 29 x 60 mm allow for installation in tight spaces
- PoE (Power over Ethernet): Simplifies wiring and installation
- Trigger and Strobe I/O: For easy synchronization with lighting and automation systems
- C-Mount Lens Support: Ensures flexibility in optical configuration
- Industrial Compliance: CE, FCC, KCC, and RoHS certified; IP30-rated housing


BENEFITS AT A GLANCE
- Compact size, ideal for embedded applications or space-constrained environments
- High frame rates for demanding high-speed inspection and tracking tasks
- Seamless integration with the MX-G and MX-E Series Vision Processors
- Full compatibility with Datalogic’s IMPACT software platform
- Exceptional price/performance ratio for scalable multi-camera installations
NEW: E2-SERIES CAMERAS
The latest addition to the lineup, the E2 Series, pushes performance even further. These high-resolution cameras are built to meet the most demanding inspection needs — from precision measurement and fine detail analysis to robot guidance.
- Exceptional Imaging Quality: Capture even the smallest details with 5328 x 4608 resolution
- Advanced Calibration Tools: Simplify setup and improve measurement accuracy
- Enhanced Compatibility: Fully supported in the latest version of IMPACT software

| Model | Interface | Resolution | Frame Rate | Color | Sensor Size |
|---|---|---|---|---|---|
| E2-123 | GigE | 4096 × 3000 | 9 FPS | No | 1/1.1″ CMOS |
| E2-123C | GigE | 4096 × 3000 | 9 FPS | Yes | 1/1.1″ CMOS |
| E2-244 | GigE | 5328 × 4608 | 4 FPS | No | 1.2″ CMOS |
| E2-244C | GigE | 5328 × 4608 | 4 FPS | Yes | 1.2″ CMOS |
ALL AVAILABLE MODELS

| Description | Part Number |
|---|---|
| Camera, E101, Gig-E, 659 x 480, 300 FPS, Grayscale, 1/4” CMOS | 959933022 |
| Camera, E101C, Gig-E, 659 x 480, 300 FPS, Color, 1/4” CMOS | 959933023 |
| Camera, E151, Gig-E, 1280 x 1024, 75 FPS, Grayscale, 1/2” CMOS | 959933024 |
| Camera, E151C, Gig-E, 1280 x 1024, 75 FPS, Color, 1/2” CMOS | 959933025 |
| Camera, E181, Gig-E, 1920 x 1200, 48 FPS, Grayscale, 2/3” CMOS | 959933026 |
| Camera, E181C, Gig-E, 1920 x 1200, 48 FPS, Color, 2/3” CMOS | 959933027 |
| Camera, M197, Gig-E, 2592 x 1944, 14 FPS, Grayscale, 1/2.5” CMOS | 959931010 |
| Camera, M197C, Gig-E, 2592×1944, 14 FPS, Color, 1/2.5” CMOS | 959931011 |
| Camera, E198, Gig-E, 2448 x 2048, 20 FPS, Grayscale, 2/3” CMOS | 959933044 |
| Camera, E198C, Gig-E, 2448 x 2048, 20 FPS, Color, 2/3” CMOS | 959933045 |

| E2-Series: High Resolution Area Scan Cameras | |
|---|---|
| Camera, E2-123, Gig-E, 4096 x 3000, 9 FPS, Grayscale, 1/1.1″ CMOS | 959980011 |
| Camera, E2-123C, Gig-E, 4096 x 3000, 9 FPS, Color, 1/1.1″ CMOS | 959980012 |
| Camera, E2-244, Gig-E, 5328 x 4608, 4 FPS, Grayscale, 1.2″ CMOS | 959980013 |
| Camera, E2-244C, Gig-E, 5328 x 4608, 4 FPS, Color, 1.2″ CMOS | 959980014 |
MECHANICAL DRAWING

ACCESSORIES
| CABLES | ||
|---|---|---|
| Model | Description | Part Number |
| CAB-IO-6P-3-PT | Cable, M1xx, M5xx and E1xx Camera, I/O, 6 pin, 3 Meter, pigtail | 606-0672-03 |
| CAB-IO-6P-5-PT | Cable, M1xx, M5xx and E1xx Camera, I/O, 6 pin, 5 Meter, pigtail | 606-0672-05 |
| CAB-IO-6P-10-PT | Cable, M1xx, M5xx and E1xx Camera, I/O, 6 pin, 10 Meter, pigtail | 606-0672-10 |
| CAB-IO-6P-3-TB | Cable, M1xx, M5xx and E1xx Camera, I/O, 6 pin, 3 Meter, Camera to Terminal Block | 606-0674-03 |
| CAB-IO-6P-5-TB | Cable, M1xx, M5xx and E1xx Camera, I/O, 6 pin, 5 Meter, Camera to Terminal Block | 606-0674-05 |
| CAB-IO-6P-10-TB | Cable, M1xx, M5xx and E1xx Camera, I/O, 6 pin, 10 Meter, Camera to Terminal Block | 606-0674-10 |
| CAB-IO-6P-3-M8-DB9 | Cable, I/O, E2 Camera, 6 pin, 3 Meter, M8 Camera Connector to DB9 Terminal Block | 959930001 |
| CAB-IO-6P-5-M8-DB9 | Cable, I/O, E2 Camera, 6 pin, 5 Meter, M8 Camera Connector to DB9 Terminal Block | 959930002 |
| CAB-IO-6P-10-M8-DB9 | Cable, I/O, E2 Camera, 6 pin, 10 Meter, M8 Camera Connector to DB9 Terminal Block | 959930003 |
| CAB-GE-C6-03 | Cable, Gig-E, CAT6, 3 Meter | 606-0677-03 |
| CAB-GE-C6-05 | Cable, Gig-E, CAT6, 5 Meter | 606-0677-05 |
| CAB-GE-C6-10 | Cable, Gig-E, CAT6, 10 Meter | 606-0677-10 |
| CAB-GE-C5-03 | Cable, Gig-E, Hi-Flex CAT-5e, 3 Meter | 606-0677-HF-03 |
| CAB-GE-C5-05 | Cable, Gig-E, Hi-Flex CAT-5e, 5 Meter | 606-0677-HF-05 |
| CAB-GE-C5-10 | Cable, Gig-E, Hi-Flex CAT-5e, 10 Meter | 606-0677-HF-10 |
| CAB-GE-C6-HM-03 | Cable, Gig-E, CAT6, Horizontal Mold, 3 Meter | 606-0677-M1-03 |
| CAB-GE-C6-HM-05 | Cable, Gig-E, CAT6, Horizontal Mold, 5 Meter | 606-0677-M1-05 |
| CAB-GE-C6-HM-10 | Cable, Gig-E, CAT6, Horizontal Mold, 10 Meter | 606-0677-M1-10 |
| CAB-GE-C5-HM-03 | Cable, Gig-E, Hi-Flex CAT-5e, Horizontal Mold, 3 Meter | 606-0677-M1-HF-03 |
| CAB-GE-C5-HM-05 | Cable, Gig-E, Hi-Flex CAT-5e, Horizontal Mold, 5 Meter | 606-0677-M1-HF-05 |
| CAB-GE-C5-HM-10 | Cable, Gig-E, Hi-Flex CAT-5e, Horizontal Mold, 10 Meter | 606-0677-M1-HF-10 |
| I/O BOARD | ||
|---|---|---|
| IOB-M1/E1/E2-DIN | I/O Board, M1xx, E1xx and E2-xxx Camera, w / isolation | 661-0399 |
| LENSES | ||
|---|---|---|
| LEN-KOW-LM50XC | Lens, Kowa, 50mm, C-Mount, 4/3” Format, M37.5 x 0.5 filter thread, LM50CX | 95A900091 |
| LEN-KOW-LM12XC | Lens, Kowa, 12mm, C-Mount, 4/3” Format, M55 x 0.75 filter thread, LM12CX | 95A900087 |
| LEN-KOW-LM16XC | Lens, Kowa, 16mm, C-Mount, 4/3” Format, M40.5 x 0.5 filter thread, LM16CX | 95A900088 |
| LEN-KOW-LM25XC | Lens, Kowa, 25mm, C-Mount, 4/3” Format, M40.5 x 0.5 filter thread, LM25CX | 95A900089 |
| LEN-KOW-LM35XC | Lens, Kowa, 35mm, C-Mount, 4/3” Format, M37.5 x 0.5 filter thread, LM35CX | 95A900090 |
| MOUNTING BRACKETS | ||
|---|---|---|
| CM-M1-E1 | Camera Mount, M1xx and E1xx Cameras | 381-1355 |
| CAM-ACC-MOUNT-E2 | Camera Mount, E2-xxx Cameras | 959930004 |
| CM-M1-E1-U1 | Camera Mount, M1xx and E1xx Cameras Small | 95A903029 |